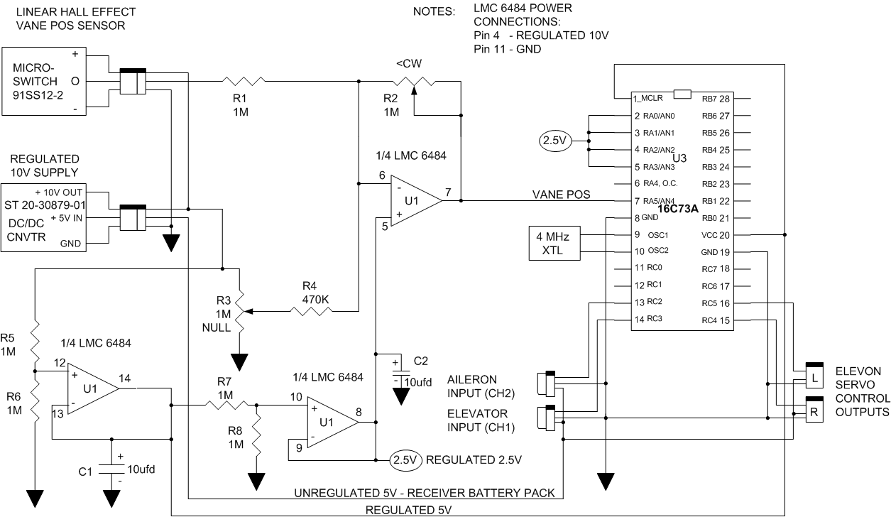
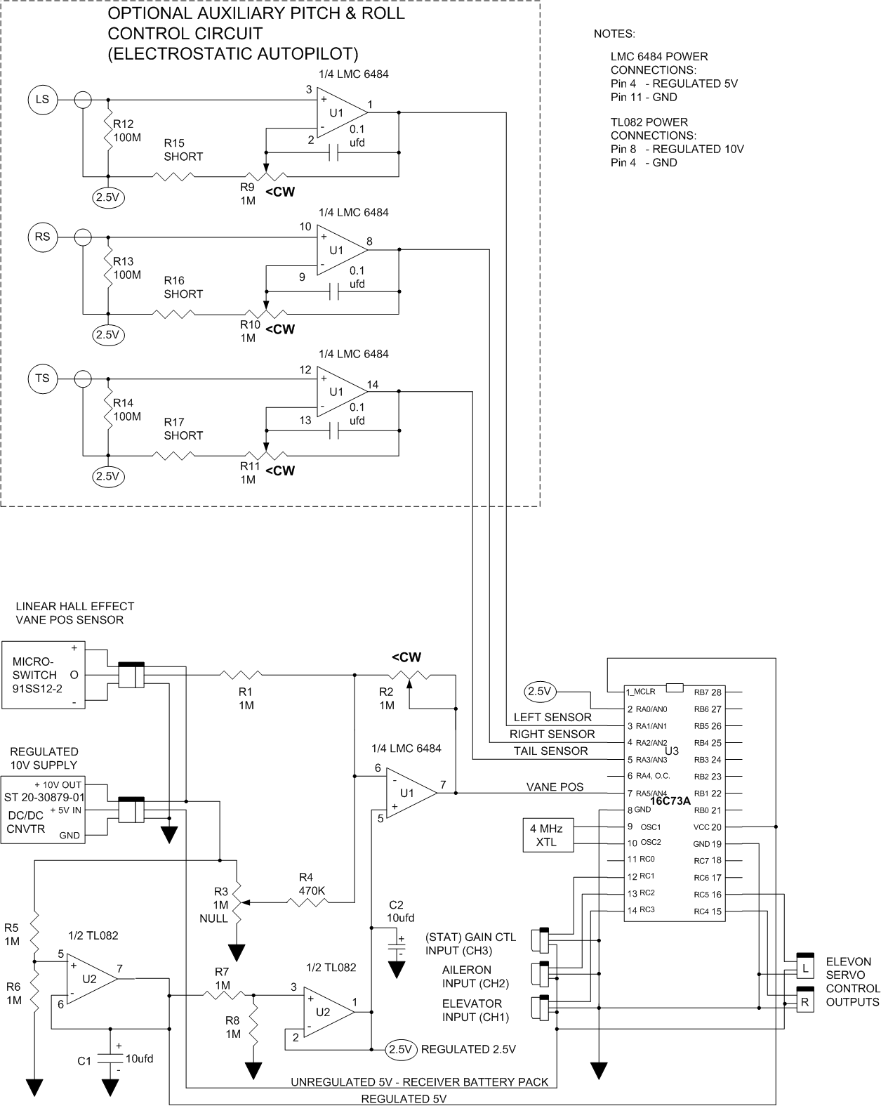
Reference Figures 16 and 17. Outputs from the three electrostatic sensors are amplified, low-pass filtered, and fed to 16C73A microprocessor A/D input pins 3-5 (Albatross II schematic only). The Micro-Switch 91SS12-2 hall-effect element is the heart of the AOA sensor. Its output is center-adjusted with R3 and gain controlled with R2. Regulated 10V output from the ST 20-30879-01 DC/DC powers the hall-effect element. The same 10V source is divided down to produce a regulated 5V-power source for the 16C73A. The 5V is divided down again to produce a regulated 2.5V source.
Analog signals on 16C73A input pins 3-5 and 7 are D/A converted for processing along with digital RC receiver outputs connected to pins 12 (Albatross II only), 13, and 14. Elevon servo drive outputs are available on pins 15 and 16.

Either circuit can be made to fit onto small component PC boards, Radio Shack 276-149 or 276-147 boards cut to size. See Figures 18 and 19 for example PC board layouts.




